KSF for Sanitary, Wide Inlet Type For high concentration sanitary liquid with low fluidity
It is sanitary type with the wide inlet and screw type coupling rod to transfer thick sanitary liquids.
A hopper or feeder above the intake can be installed.

Bearing Block Type KSF-B

Mono Block Type KSF-M
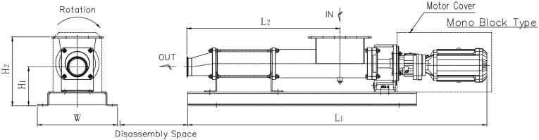
Monoblock KSF-M in-line Type
Compact monoblock type with direct coupled between driver and pump

- Performance and dimensions
- Sanitary filling valve - FV
Performance
Performance and dimensions of KSF type

| Model | Connection (Ferrule) |
Discharge Pressure (kgf/cm²) |
Flow rate (m³/hr) |
Reduction ratio | Rotation (rpm) |
Power (kW) |
Dimensions (appr.) |
Disassembly Space | Wt (kg) |
||||
|---|---|---|---|---|---|---|---|---|---|---|---|---|---|
| L1 | L2 | H1 | H2 | W | |||||||||
| KSF20 | 1 1/2S | 5 | 0.3 | 10 | 175 | 0.75 | 1008 | 381 | 177 | 270 | 330 | 125 | 47 |
| 2KSF20 | 1 1/2S | 10 | 0.3 | 10 | 175 | 0.75 | 1108 | 481 | 177 | 270 | 330 | 225 | 50 |
| KSF30 | 2S | 5 | 0.96 | 10 | 175 | 1.5 | 1260 | 515 | 181 | 300 | 385 | 190 | 74 |
| 2KSF30 | 2S | 10 | 0.96 | 10 | 175 | 1.5 | 1560 | 665 | 181 | 300 | 385 | 340 | 78 |
| KSF40 | 2 1/2S | 5 | 2.4 | 10 | 175 | 1.5 | 1384 | 611 | 196 | 325 | 385 | 250 | 89 |
| 2KSF40 | 2 1/2S | 10 | 2.4 | 10 | 175 | 2.2 | 1638 | 811 | 196 | 325 | 415 | 450 | 119 |
| KSF50 | 3S | 5 | 4.8 | 10 | 175 | 2.2 | 1680 | 773 | 216 | 370 | 420 | 300 | 138 |
| 2KSF50 | 3S | 10 | 4.8 | 10 | 175 | 3.7 | 1941 | 1013 | 216 | 370 | 420 | 540 | 165 |
| KSF60 | 4S | 5 | 14.4 | 10 | 175 | 3.7 | 1769 | 983 | 226 | 400 | 425 | 370 | 168 |
| 2KSF60 | 4S | 10 | 14.4 | 10 | 175 | 5.5 | 2257 | 1283 | 226 | 400 | 445 | 670 | 225 |
| KSF80 | 4S | 5 | 21 | 10 | 175 | 5.5 | 2307 | 1154 | 248 | 460 | 485 | 490 | 296 |
| 2KSF80 | 4S | 10 | 21 | 10 | 175 | 7.5 | 2706 | 1554 | 248 | 460 | 485 | 890 | 355 |
- The above table is based on 1/10 deceleration of 175rpm. Please contact us for lower concentration liquids
Sanitary filling valve - FV
- The MONAS filling valve (FV) can be used to inject the liquid into containers for metered fill
- The range of filling volume and speed can be freely adjusted
- It can fill from water to high-concentration liquids cleanly without dripping
- Depending on the application, the pump is continuously operated and the liquid is bypassed or filled
- Otherwise, the pump and the valve are operated at the same time
